EN
首页
关于我们
公司简介
发展历程
资质荣誉
合作伙伴
产品中心
材料目录
产品目录
产品知识
企业优势
生产优势
研发优势
品质优势
产品应用
车载及充电桩
光伏新能源
5G通迅及数据中心
电子消费
联系我们
首页
关于我们
公司简介
发展历程
资质荣誉
合作伙伴
产品中心
材料目录
产品目录
产品知识
企业优势
生产优势
研发优势
品质优势
产品应用
车载及充电桩
光伏新能源
5G通迅及数据中心
电子消费
联系我们
English
Search
产品中心
| 产品中心 | 产品详情
材料目录
产品目录
产品知识
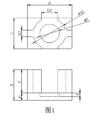
EUQ系列
返回
联系我们
0573-87682977
关于我们
公司简介
发展历程
资质荣誉
合作伙伴
产品中心
材料目录
产品目录
产品知识
企业优势
生产优势
研发优势
品质优势
产品应用
车载及充电桩
光伏新能源
5G通迅及数据中心
电子消费
版权所有 © 2025
海宁联丰磁业股份有限公司
备案号:浙ICP备17024503号